Arrow Electronic Components Online

Smart power

Energy and Power15 Aug 2024
Close-up of an electric vehicle motor showcasing intricate metallic components and bright orange wiring.
View all articles

 Arrow 10kW Solar Inverter

1. MPPT Interleaved Boost Converter

The MPPT (Maximum power point tracking) Interleaved Boost Converter is for PV (Photovoltaic) applications reference design. Which is an Interleaved Booster circuit with digital controlled MPPT algorithm for the Solar Power System Applications. It operates at high switching frequency with Silicon Carbide (SiC) MOSFET to achieve low power losses, high efficiency, and reduction of size & weight.

Two images showcasing electronic circuit boards. The first image displays a green circuit board with capacitors, relays, and connectors in a hardware setup. The second image features a colorful PCB layout design with blue, red, and yellow traces.

2. HMI for PV inverter and Energy Storage system

This reference design is a HMI (Human Machine Interface) solution to interface with Energy Storage Equipment (Like PV system with inverter / MPPT and CLLLC battery charger) through CAN bus. This HMI reference solution is composed of 5 buttons, LCD display and RTC feature. Apart from CAN-FD interface, it can also provide Ethernet, WIFI & BT and 2-way RS485 to connect to KNX or other external devices.

A green circuit board featuring an LCD screen and multiple electronic components, including buttons and connectors. The Arrow Electronics logo is clearly visible on the board.

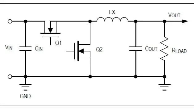
3. Synchronous buck converter

This is a synchronous buck converter paper design. It is a typical synchronous buck topology with 4 parallel SiC MOSFET. It operates at high switching frequency to achieve high efficiency and reduction of size & weight. It may be used for high power applications, such as charging systems, solar MPPT, etc. It helps users to speed up SiC MOSFET system designs and shorten product development cycle significantly.

A detailed schematic of an electronic circuit featuring components such as transistors, capacitors, and inductors. T

Arrow-ST-TE 15kW Bidirectional PFC

3 Phase 3 Level T-Type Bidirectional Power Converter

This reference design represents a complete solution for high power three-phase Active Front End (AFE) bidirectional rectifier application based on the three level T-Type topology. Reference design topology is mostly used for industrial and electric vehicle DC fast charging applications. It features fully digital control for high performance microcontrollers providing the full control of PF, THD and power conversion control.

A detailed view of an electronic circuit board featuring multiple components, including coils, capacitors, and integrated circuits. The board is labeled with 'Arrow' and 'ST' logos, indicating clear branding.

Wolfspeed 22kW Bidirectional converter (AFE+DC-DC)

1. 22 kW Bi-Directional Active Front End (AFE)

A detailed view of an electronic circuit board featuring copper coils, capacitors, and various components.

This reference design demonstrates the application of Wolfspeed’s 1200V C3M™ SiC MOSFETs to create a 22kW three phase bidirectional active front end (AFE) converter for electric vehicle (EV) on-board charger (OBC); off-board fast charging; and other industrial applications such as energy storage systems and three phase PFC power supplies. This design operates as a standalone AC/DC converter and is compatible with both single-phase and three-phase inputs. It has two operating modes: power factor correction (PFC) mode and inverter mode. In both modes; the DC bus voltage is flexible to demonstrate operation under a range of conditions. The use of 1200V C3M™ 32mOhm SiC MOSFETs in a TO- 247-4 package provides the best figure of merit (FOM) and reduces switching loss and cross talk. The design accomplishes.

  • Peak efficiencies of 98.5% in both PFC and inverter mode
  • Power density of 4.6kW/L

This reference design is offered as a comprehensive design package which can be used as a starting point for new SiC designs.

2. 22 kW Bi-Directional CLLC Utilizing IMS Board

A detailed view of an electronic circuit board featuring multiple components, including capacitors, transformers, and wiring. The transformers are labeled with visible text 'A1908005' and '23330001'.

This reference design demonstrates the application of Wolfspeed’s automotive qualified E3M 1200V SiC MOSFETs in a TO-263-7 (J2) surface mount package to create a 22 kW Bi-Directional High Efficiency DC/DC Converter based on insulated metal substrate (IMS) board for electric vehicle (EV) on-board charger (OBC) and similar applications. The AEC-Q101 compliant E3M™ series MOSFETs are ideally suited for the most challenging on-board applications. This design is intended to work with an active-front-end (AFE) converter that adjusts the input voltage to the DC/DC converter to optimize the system efficiency based on the output (battery) voltage. The range of the DC input is designed to be compatible with both single and three-phase AFE systems while supporting a wide DC output voltage range of 480 V-800 V. A full bridge CLLC resonant converter with a flexible control scheme implements frequency modulation, phase shift control, adaptive synchronous rectification and a bridge reconfiguration technique. The use of 1200V 32mΩ automotive qualified SiC MOSFETs enhance thermal performance and facilitates assembly automation. The use of IMS PCB in this reference design exhibits superior thermal performance. The design accomplishes:

  • Peak efficiency of 98.6% in both charging and discharging mode
  • Power density of 9.4 kW/L
  • Bi-directional operation<

This reference design is offered as a comprehensive design package which can be used as a starting point for new designs with SiC power devices.

Wolfspeed SpeedVal Kit (Evaluation kit to test the performance of SiC MOSFET)

1. SpeedVal™ Kit Modular Evaluation Platform

Wolfspeed’s SpeedVal™ Kit Modular Evaluation Platform speeds the transition from silicon to silicon carbide (SiC) with a flexible set of building blocks for in-circuit evaluation of system performance at real operating points. Evaluate and optimize the high-speed dynamic switching performance of Wolfspeed silicon carbide MOSFETs paired with your choice of gate drivers from industry-leading partners. Additionally, the newly released 3-phase motherboard enables precise control and firmware development with flexible control options to test simple static loads or advanced motor control foundation.

Two green circuit boards are displayed, featuring intricate electronic components and connectors. The boards are equipped with cooling fans and mounted on metallic stands.

2. Single Phase

A detailed view of a WolfPack circuit board featuring multiple electronic components and a cooling fan. The setup includes connectors, chips, and wiring, mounted on a green PCB.

Evaluation Board

SpeedVal KitTM Modular Silicon Carbide evaluation board Enable customers to quickly test/evaluate/decide on which MOSFET is best for their system, primarily in a half-bridge configuration with a double pulse test, provide buck/boost application example with software code for MCU/DSP. Kit setup with Wolfspeed SiC, NXP DSC Controller, Skyworks/ADI/Allegro gate driver, Molex Connector, Bourns Inductors and Kemet MLCC.. etc.

USER GUIDE PRD-06829

A detailed view of an electronic circuit board featuring multiple components, including a cooling fan and various connectors.

3. Three Phase

SpeedVal™ Kit Three-Phase Motherboard User Guide

A detailed view of an electronic circuit board featuring multiple modular components and connectors.

NXP Bi-directional Power Converter / Charger (800W)

1. Bi-directional AC-DC Platform

Two-level H-bridge inverter controls the active power transfer from the DC bus to the AC side in the inverter mode, while a totem-pole PFC controls the reverse power flow from the AC side to the DC bus in the PFC mode.

A detailed view of an electronic circuit board featuring various components, including capacitors, inductors, and connectors.

Demo board

The key features of the system are as below:

  1. 85 Vrms to 265 Vrms AC voltage range; Typical 380 V DC voltage
  2. 800 W rated power @220 Vac and 400 W rated power @110 Vac in either direction
  3. Modular software and hardware design for convenient internal reuse and customer evaluation
  4. Isolated USB interface for FreeMASTER connection
  5. Isolated SCI communication between primary side and secondary side.
  6. PFC mode: efficiency 97%, PF > 0.99, THDi < 5%
  7. Inverter mode: efficiency 95.5%, output voltage RMS regulation < 1%, THDu < 1% @linear loads, <3% @ non-linear loads, recovery time < 1 AC cycle with rated loading response
  8. PFC soft start with TRIAC and low power burst mode
  9. Hardware cycle-by-cycle current limitation
  10. Seamless transition between inverter and PFC mode
  11. 20 kHz switching frequency
  12. Over-current, over-/under-voltage, out of frequency range and over-temperature protection functions

2. Bi-directional DC-DC Platform

CLLC topology is employed to realize the isolated bidirectional power conversion in this reference design, which has the advantage of zero-voltage-switching (ZVS) in full load range for high efficiency and high power density. The electric energy could be transferred bidirectionally with one set of the hardware for cost saving and volume reduction. The NXP DSC MC56F83783 is used to enable the fully digital control of the power system. With the help of the DSC’s flexible peripherals, the synchronous rectifier could be realized simply for BOM cost saving.

A detailed view of an electronic circuit board featuring capacitors, resistors, and other components.

Demo board

The key features of the system are as below:

  1. High voltage port: 370 ~ 390 VDC, low voltage port: 40 ~ 60 VDC with 800 W power
  2. The peak efficiency is above 96% in battery charge mode, above 97% in battery discharge mode
  3. Switching frequency range: 100 ~ 180 kHz, resonant frequency: 150 kHz
  4. CLLC topology to enable bi-directional power conversion
  5. Active synchronous rectifier with the DSC distinctive peripherals
  6. PFM + PSM + Burst hybrid modulation mode for wide voltage gain range and high efficiency
  7. 2P2Z digital controller enabled by NXP library for fast dynamic response
  8. Constant voltage (CV) and constant current (CC) working mode for battery application
  9. Modular software and hardware design for convenient internal reuse and customer evaluation
  10. Isolated USB interface for the FreeMASTER connection
  11. Isolated SCI communication between primary side and secondary side
  12. Over-current, over/under-voltage, and over-temperature protection functions

Unlock for free: 28-day trial of Development Tools

A unique program offered by Arrow and its suppliers aims to assist you, the design engineer, in selecting the best device for your next-generation products.

Article Tags

Power
Energy Storage
Energy Management
Energy and Power

Related news articles

View all